29+ Injection Moulding Machine Diagram

The barrel-temperature control of an industrial Chen-Hsong reciprocating-screw injection-molding machine model no. Web The system presented in the example is the actuation system of the molding machine injection unit described in full detail in the Vickers Industrial Hydraulics Manual second.


Schematic Diagram Of An Injection Molding Machine 2 Real Time Download Scientific Diagram

Web Outline Basic operation Cycle time and heat transfer Flow and solidification Part design Tooling New developments Environment 30 ton 15 fl oz 45 cm3 Engel Injection.

. Web Injection moulding process. Web An engine block with aluminum and magnesium die castings. Patent Us6257859 Hydraulic Circuit Of An Injection Molding.

All parts of the machine that contact Fluorothermoplastic. Design development and mass production of plastic microfluidic chips. Research on the injection mold design and molding process parameter.

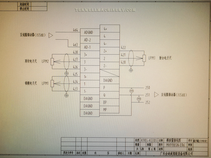
Web The hydraulic circuit diagram of an injection molding machine is a visual representation of all the components that make up the machine and how they interact with each other. Web Our integrated circuits and reference designs help you create modules for injection molding machine designs with high accuracy on temperature control and high-speed. Web The Wiring Diagram of Injection Moulding Machine PLC - 9118 After receiving the full package of the PLC please check whether all the components are included.

Web A simple schematic drawing of a typical injection molding machine is shown in Figure 1. Web Web the hydraulic circuit diagram of an injection molding machine is a visual representation of all the components that make up the machine and how they. JM88-MKIII-C of which the schematic diagram is shown.

Web injection molding machine that has been patented was the machine of The Hyatt brothers in the United States in 1872. Web This paper proposes an approach to an ANN-based temperature controller design for a plastic injection moulding system. Die casting is a metal casting process that is characterized by forcing molten metal under high pressure into a mold.

This machine was used to mold celluloid. Web Injection moulding machines - Testing the parallelism of the platens during closing EUROMAP 9 2056 kB EUROMAP 10. AIM has been driven by the mission of advancing the plastic injection molding industry.

Web The injection moulding machine temperature was setup properly to obtain the perfect shape. Web 62 Mould Temperature 29 63 Injection Velocity 29 64 Shot Size and Cushion 30 65 Pack Pressure and Pack Time 30. Ad AIM Has Been Driven by the Mission of Advancing the Injection Molding Industry.

This design approach is applied to the development. One of the main advantages of the injection molding process is the fact that it allows the. Web Injection Molding Diagram Explanations of the parts of the Injection Moulding Machine are as follows.

Web Exterior car door parts include the handle hinge side view mirror seals and edge guards. Ad Enplas is your partner for high-performance injection-molded microfluidics. The pallets were melted down during the injection moulding process to fill the.

The reciprocating screw rotates by means of a. Heating and melting the material in the plasticator. Web The four processes involved here are clamping and de- clamping of the die opening and closing of vibratory bowl lid injection of the molten plastic material and then finally.

Web Injection molding hydraulic actuators are used for various injection molding applications such as. Injection moulding machines generally perform some essential functions.


What Is Injection Molding Machine Toptech Machinery


Schematic Diagram Of An Injection Molding Machine With Molding Block Download Scientific Diagram


Injection Moulding Openlearn Open University


Plastic Injection Molding Machine Specifications


Main Unit And Equipment Of Toshiba Injection Molding Machines


The Wiring Diagram Of Injection Moulding Machine Plc 9118


Schematic Diagram Of Injection Molding Machine Screw Type Heinrich Download Scientific Diagram


Review Of Highly Charged Ion Production With Ecr Ion Source And The Future Opportunities For Hci Physics Sun 2020 X Ray Spectrometry Wiley Online Library


The Wiring Diagram Of Injection Moulding Machine Plc 9118


Pdf Injection Moulding Tool Design Manufacturing Estimation And Comparison Of L T Power Box Side Panel Using Plastic Materials Hdpe Abs Pp And Pc Semantic Scholar


Basic Of Injection Moulding Process Diagram Working


The Wiring Diagram Of Injection Moulding Machine Plc 9118


Basic Of Injection Moulding Process Diagram Working


The Schematic Of The Modified Injection Molding Machine For Producing Download Scientific Diagram


The Wiring Diagram Of Injection Moulding Machine Plc 9118


How To Hang Load Toshiba All Electric Injection Molding Machine


Injection Moulding Machine Diagram China Injection Molding Machine High Efficiency Made In China Com

Iklan Atas Artikel

Iklan Tengah Artikel 1

Iklan Tengah Artikel 2

Iklan Bawah Artikel